必威官方首页官网

燃气壁挂炉同轴烟管怎样装置

2022-04-06 10:31:38

  燃气壁挂炉同轴烟管怎样装置

  1.墙面钻孔

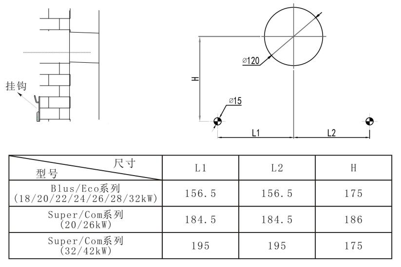
  (1).用纸质装置模板和刮板配合,找准尺寸,在墙上齐整个直径约为120mm的圆;

  (2) 以墙壁上所画圆为界线钻孔,如下图所示 。

  (3) 在墙壁上钻三个成三角形漫衍的孔 。大孔直径为120mm,下端两个小孔的宜径为15mm如右下图所示 。

图1.jpg

  2. 同轴烟管的水平毗连

  随机提供有一套(用来排放壁挂炉燃烧爆发的废气和从室外引进燃烧所需的新鲜空气) 平衡式同轴烟道,须准确与壁挂炉毗连 。

图2.jpg

  除此,用户还可凭证现真相形,另外订购以下特殊是情形下的烟管 。

图3.jpg


网站地图